首页
>
政务公开
>
政府网站工作年度报表
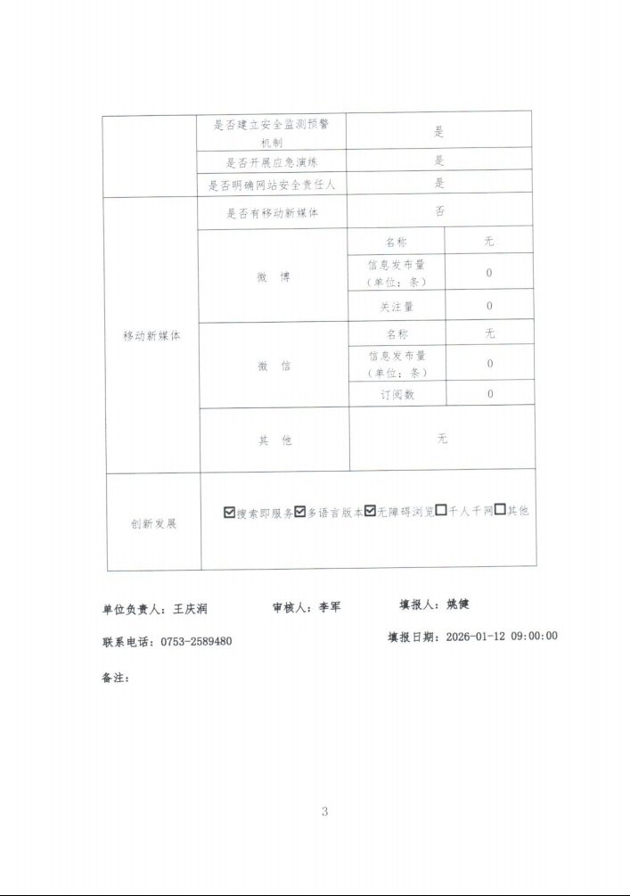
政府网站工作年度报表(2025年度)
时间:2026-01-12
来源:区府办
【分享到:
】
【字体:
大 ||
中 ||
小
】
【
打印
】
附件:
政府网站工作年度报表(2025年度).pdf